Aurélie 18/12/07
 

Etude d'un filtre de Wien. concours Mines 06

sans calculatrice.


 

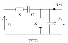
Soit le filtre ci-dessous où les résistances R sont identiques, ainsi que les capacités C des condensateurs.

Filtre en régime sinusoïdal permanent.

Le filtre est alimenté par une tension d’entrée ve = Ve cos(wt).

A la sortie, on a alors une tension vs = Vs cos(wt + j ). Il n’y a pas de charge à la sortie.

On associe à ces tensions les grandeurs complexes : ve = Ve exp(jwt) et vs = Vs exp(jwt) avec Vs =Vs exp(jj).

Etablir la fonction de transfert sous la forme :en précisant les valeurs de A, de Q et l’expression de w0 en fonction de R et C.

 

Admittance complexe des branches en dérivation : Y= 1/R + jCw = (1+RCw )/R

Impédance complexe correspondante : Z1=R/(1+RCw)

Impédance complexe de l'ensemble : Z = R+1/(jCw) + R/(1+RCw)

H= vs /ve = Z1 / Z.


Après avoir fait une étude asymptotique de cette fonction de transfert, tracer son diagramme de Bode, en gain GdB et en phase j, sur la feuille jointe (en coordonnées semi-logarithmiques, on utilisera la coordonnée réduite x=w/w0. On donne log 3 ˜ 0,5).

GdB = 20 log |H|

 

Quand x tend vers zéro, GdB est équivalent à : 20 ln A - 10 ln (Q/x)2 soit 20 ln(x/Q)= 20 log (3x).

Quand x tend vers l'infini, GdB est équivalent à : 20 ln A - 10 ln (Qx)2 soit -20 ln(Qx)=-20 log (x/3).

Quand x=1, GdB =20 ln A= 20 ln(1/3) = -20 ln3 = -10.

 

 

tan j = -AQ(x-1/x) avec AQ= 1/9 si x tend vers zéro, tan j est équivalent à 1/(9x).

si x tend versl'infini, tan j est équivalent à -x/9. Si x=1, tan j = 0

 



Filtre en régime quelconque

Le filtre est à présent alimenté par une tension d’entrée quelconque, dont la valeur instantanée est ve(t).

Etablir l’équation différentielle liant vs(t) et ve(t) :

on pourra pour cela utiliser la fonction de transfert.


Oscillateur quasi-sinusoïdal :

Le filtre de Wien est couplé à un amplificateur opérationnel (A.O.) parfait, dont le fonctionnement est supposé linéaire : voir schéma ci-dessous.

 

Aucun générateur n’est présent dans ce circuit.

Qu’appelle t-on amplificateur opérationnel ‘parfait’ (ou idéal) ?

Les intensités des courants d'entrées sont nulles et la tension e= V+-V- =0.

Que signifie l'expression ‘fonctionnement linéaire’ ?

La tension de sortie est proportionnelle à la tension d'entrée. Le coefficient de proportionnalité dépend de R1, R2.

 

 


Etablir la relation reliant V-, potentiel à l’entrée inverseuse de l’A.O, et Ve en fonction de R1 et R2.

En appliquant le théorème de Millmann :

V- =[ Ve/R2 ] / [1/R1+1/R2] ; V- = R1 Ve/(R1+R2) ; V- =Vs = R1 Ve/(R1+R2). (1)

En déduire que l’équation différentielle suivie par vs(t) est :

 

(1) donne : dve/dt = (R1+R2) / R1 dvs/dt.

repport dans : w02vs + 3w0dvs/dt +d2vs/dt2 = w0dve/dt avec Q=1/3.

d'où : d2vs/dt2 + w0/Q [ 1-Q(R1+R2) / R1]dvs/dt+ w02vs=0.

A quelle condition la solution de cette équation est-elle purement sinusoïdale ?

1-Q(R1+R2) / R1 =0 soit 3 R1 = R1+R2 ; 2 R1 =R2.

Que se passe-t-il si le terme 1-Q(R1+R2) / R1 est strictement négatif ?

Quel est alors le mode de fonctionnement de l’amplificateur opérationnel ?

vs va atteindre rapidement la valeur de la tension de saturation de l'A.O. Ce dernier fonctionnera alors en régime de saturation.


retour -menu