Aurélie 10/07/08
 

 

Electricité bac STL physique de laboratoire et procédés industriels 2008. 

Balance électronique : transformateur, redressement, pont de Wheatstone, AO régime linéaire.


 

ce problème propose une étude simplifiée d'une partie des fonctions rencontrées dans une balance électronique destinée à peser des objets de masse m. Cette balance est alimentée par le secteur 240 V - 50 Hz.

Schéma de principe.

Synoptique :

Etude de l'alimentation de la balance.

Les amplificateurs opérationnels (AO) sont alimentés par une alimentation délivrant deux tensions symétriques +Vcc = +15 V et -Vcc =-15 V. Ces deux tensions sont obtenues à partir de la tension u1(t) issue du réseau de distribution.

 

Etude du transformateur (2 points).

Le transformateur est supposé parfait, on lit sur sa plaque signalétique les grandeurs suivantes : 240 V / 30 V ; 50 Hz ; 48 V A.

A quoi correspondent ces différentes grandeurs ?

240 V : tension efficace au primaire ; 30 V : tension efficace à la sortie du secondaire.

50 Hz : fréquence de la tension alternative ; 48 VA : puissance apparente.

Calculer le rapport de transformation du transformateur.

m = 30/240 = 0,125.

Déterminer les intensités efficaces nominales I1N et I2N des courants primaire et secondaire.

I1N = 48/240 = 0,2 A.

I2N = 48 / 30 = 1,6 A.

Etude de la tension redressée (2 points).

le transformateur est alimenté par le réseau de distribution 240 V - 50 Hz.

Quelle est la valeur efficace de la tension à l'entrée du pont redresseur ? Comment peut-on la mesurer ? ( nom de l'appareil et mode de mesure)

30 V : tension au secondaire du transformateur.

La mesure est réalisée à l'aide d'un voltmètre électronique sur la position AC.

Compléter les valeurs de T, période du signal, et de U2max sur le document suivant, qui représente l'allure de la tension u2(t) à l'entrée du pont de Graetz.

Représenter l'allure de la tension upont(t) à la sortie du pont de Graetz dans le cas d'une charge purement résistive.

Représenter l'allure de la tension upont(t) à la sortie du pont de Graetz dans le cas d'une charge RC parallèle.

2è partie.

Schéma général :

Etude du pont de jauge : (3 points)

Le capteur de forces est constitué de jauges de contraintes dont la résistance r varie avec la force F à laquelle il est soumis suivant la relation :

Dr / r = k F avec D r : variation de la résistance ; k = 4 10-4 N-1.

Ces jauges sont disposées selon un pont de Wheatstone alimenté par la tension +Vcc = 15 V.

r1=r4=r-Dr ; r2=r3=r+Dr.

Exprimer UAM en fonction de r1, r2 et Vcc.

On note i l'intensité du courant dans r1 et r2 : Vcc = r1 i + r2 i soit i = Vcc/(r1+r2).

UAM = r2 i = Vcc r2 /(r1+r2).

Exprimer UBM en fonction de r3, r4 et Vcc.

On note i' l'intensité du courant dans r3 et r4 : Vcc = r3 i' + r4 i' soit i' = Vcc/(r3+r4).

UBM = r4 i' = Vcc r3 /(r3+r4).

En déduire UAM puis UBM en fonction de r, Dr et Vcc.

r1+r2= 2r ; r2=r+Dr ; UAM =Vcc (r+Dr) / (2r).

r3+r4= 2r ; r4=r-Dr ; UBM =Vcc (r-Dr) / (2r).

Exprimer Ue en fonction de UAB, puis de r, Dr et Vcc.

Ue = UAB = UAM+UMB = UAM-UBM ; Ue = Vcc Dr/ r.

Montrer que Ue peut se mettre sous la forme Ue = a m.

avec a = k g Vcc ( m représente la masse de l'objet et g l'intensité du champ de pesanteur )

 Dr / r = k F avec F= m g ( poids de l'objet) ; Ue = k g Vcc m = a m.

Calculer a et préciser son unité ( prendre g= 10 N kg-1)

a = k=4 10-4 N-1 ; Vcc = 15 V ; a = 4 10-4 *10*15 =0,06 V kg-1.

Que vaut Ue en l'absence d'objet sur le plateau ?

m=0 ; Ue= a m = 0.



Etude des montages suiveurs (AO1 et AO2) : (1 point )

Quelle est le régime de fonctionnement des AO1 et AO2 ? Justifier.

La présence d'une boucle de contre réaction ( liaison entre la sortie et l'entrée inverseuse ) conduit à un régime linéaire.

Exprimer U1 en fonction de UAM et U2 en fonction de UBM.

Montage suiveur, donc U1=UAM et U2= UBM.

Quel est l'intérêt d'un montage suiveur ?

Impédance d'entrée infinie et impédance de sortie nulle ; U1 et U2 sont indépendant des courants dans les branches AM et BM.

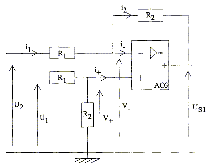
Etude du montage soustracteur (AO3) : (4 point )

Cet étage permet d'amplifier la différence U1-U2.

L'AO étant parfait quelles sont les valeurs des intensités i+ et i- ?

i+ = i- = 0.

Quel est le régime de fonctionnement de l'AO ? Justifier.

La présence d'une boucle de contre réaction ( liaison entre la sortie et l'entrée inverseuse R2) conduit à un régime linéaire.

Exprimer V+ en fonction de R1, R2 et U1.

On note i l'intensité dans R1 et R2 : U1 = R1i+ V+ et i = V+/R2.

U1 = R1V+/R2 + V+ ; V+= U1 / ( 1+R1/R2).

Exprimer i1 en fonction de U2, V- et R1.

U2= V-+ R1i1 ; i1 = (U2- V-) / R1.

Exprimer i2 en fonction de US1, V- et R2.

US1+R2 i2= V- ; i2= (V-- US1)/R2.

Exprimer i1 en fonction de i2, puis en déduire Us1 en fonction de R1, R2, V- et U2.

i1 = i2 ( car i-=0) ; (U2- V-) / R1 = (V-- US1)/R2 ; (U2- V-) R2 / R1 =V-- US1.

US1= V--(U2- V-) R2 / R1= V-( 1+R2 / R1) -R2 / R1U2.

Montrer que US1 = R2/R1(U1-U2) ; en déduire que US1= R2/R1 a m.

V+ = V- ( régime linéaire) ; V-= U1 / ( 1+R1/R2).

US1=V-( 1+R2 / R1) -R2 / R1U2 = U1 ( 1+R2 / R1)/( 1+R1/R2) -R2 / R1U2 =U1 R2 / R1-R2 / R1U2 ;

US1=R2 / R1(U1-U2) ; or UAM-UBM = am et UAM-UBM =U1-U2 ; US1= R2/R1 a m.



Déterminer la relation entre R1 et R2 qui permettrait d'obtenir US1 = 10 V pour m = 100 kg.

a = 0,06 V kg-1 ;  R2/R1 = US1/(am) =10/(0,06*100) =10/6 ; R2/R1 =5/3 = 1,67.

Tracer la courbe US1 = f(m) pour une masse comprise entre 0 et 200 kg. En déduire la masse maximum que l'on peut peser.

US1= 5/3*0,06 m =0,3/3 m ; US1= 0,1 m.


retour -menu