Aurélie 24/09/08
 

 

Alimentation simplifiée d'un injecteur d'automobile bac S Antilles 09/08.


Dans les moteurs d'automobiles modernes le carburant est introduit à l'aide d'injecteurs. L'ouverture et la fermeture de l'injecteur sont commandées par un électroaimant. Dans cet exercice on s'intéresse à la bobine composant l'électroaimant.

Le document ci-dessous représente l'évolution de la tension uL(t) aux bornes de l'électroaimant et la périodicité de l'injection lorsque le moteur fonctionne à 3000 tous par minute.

Etude de la tension aux bornes de la bobine.

Déterminer la période T de la tension uL(t).

T = Dt + Dt' = 20 ms = 2,0 10-2 s.

La période T' du cycle d'injection vaut-elle Dt, D t' ou D t+Dt' ? Comparer T et T'.

La durée de l'injection est Dt= 3 ms ; une nouvelle injection se produit Dt'= 17 ms   après la fin de l'injection précédente.

T' = Dt+ Dt'= 20 ms = T.

Montrer que la valeur de T' est en accord avec les "3000 tours/min" effectués par le moteur.

nombre de tours par seconde =
3000
60
= 50 tr s-1.
Une injection se produit à chaque tour : donc il y a 50 injections par seconde.

T ' =

1
50
= 2,0 10-2 s.

Détermination de l'inductance L de la bobine de l'injecteur.

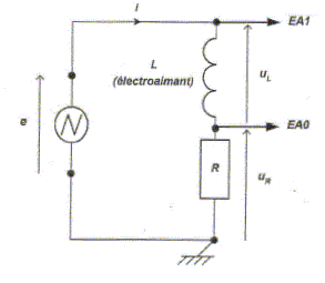
Pour cela on réalise le circuit suivant :

Le générateur utilisé délivre une tension triangulaire asymétrique. La résistance R vaut 1,00 kW.

Le système d'acquisition et de traitement permettent d'obtenir les courbes suivantes :

 

Quelle tension visualise t-on sur l'entrée EA0 ?

uR(t).

Quelle tension visualise t-on sur l'entrée EA1 ?

uR(t) + uL(t) = e(t).

Comment a t-on obtenu uL(t) à partir des tensions enregistrées en EA0 et EA1 ?

uL(t) = e(t) -uR(t).

Soustraire la tension visualisée sur EA0 à la tension visualisée sur EA1.

Donner l'expression littérales de uR(t) en fonction de i(t). En déduire l'expression de di(t) / dt.

uR(t) = R i(t) ; R est une constante.

duR(t)
di(t)

= R

dt
dt

di(t)
dt
=
1
R
.
duR(t)
dt



Compléter le tableau suivant.

Dt
Dt'
duR(t)
dt
V s-1
1,3 103
.............
di(t)
dt
.............
1,3
.............
uL(t)
V
.............
.............
L
.............
.............
.............

et

Dt
Dt'
duR(t)
dt
V s-1
1,3 103
-2,4 102
di(t)
dt
A s-1
1,3
-0,24
uL(t)
V
2,5
-0,5
L
H
1,9
2,1

 



 En déduire la valeur de l'inductance L.

uL(t) = L .

di(t)
dt
;
L =uL(t)
dt
di(t)

sur [0 ; 3 ms] :
L
=
2,5
1,3
=
1,9 H
sur ]3 ; 20 ms] :
L
=
-0,5
-0,235
=
2,1 H

Le constructeur indique L ~ 2 H. Commenter les valeurs obtenues.

 Ecart relatif : 0,1/2 *100 = 5 %

A 5 % près les valeurs trouvées sont en accord avec l'indication du constructeur ; de plus ce dernier fournit une valeur indicative, approchée, de l'inductance.


retour -menu