Aurélie 22/11/07
 

Fonction de transfert, diagramme de Bode concours ITPE 2007


Google

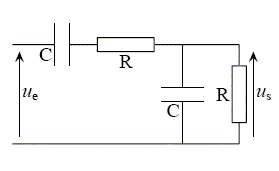
Les grandeurs soulignées sont des nombres complexes.

Déterminer la fonction de transfert T(w) = Us/Ue.

admittance complexe de R et C en parallèle :

Y = 1/R + jCw.

impédance complexe : Z =1/Y =1/(1/R+jCw) = R/(1+jRCw).

impédance complexe de l'ensemble :

Z1 = R+1/(jCw) + Z .

 

 

Us/Ue=Z / Z1

 


Développer le dénominateur :

1 -(RCw)2+3jRCw

Multiplier numérateur et dénominateur par l'expression conjuguée : 1 -(RCw)2 -3jRCw

Le dénominateur s'écrit : D= [1 -(RCw)2]2 + 9(RCw)2 = 1+7(RCw)2 +(RCw)4.

Le numérateur s'écrit :

N=jR2Cw [1 -(RCw)2 -3jRCw]= 3(RCw)2+ [1 -(RCw)2] jRCw.

Etablir à partir de T(w), l'équation différentielle reliant us(t) à ue(t).

La multiplication par jw est associée à la dérivée première par rapport au temps.

La multiplication par(jw)2 = -w2 est associée à la dérivée seconde par rapport au temps.

N= -3R2C2 (-w2 ) + [1 -(RCw)2] R C jw.

us(t) =1/D [ -3R2C2 ue"(t) + (1 -(RCw)2) RC ue'(t) ]

Calculer la phase j.

tan j = [1 -(RCw)2] R C w / [3(RCw)2]

tan j =[1 -(RCw)2] / (3RCw).  

Calculer le gain T.

N = 3(RCw)2+ [1 -(RCw)2] jRCw.

norme de N : N2 = 9(RCw)4 +[1 -(RCw)2]2 (RCw)2

N2 = 9(RCw)4 +[1 -2(RCw)2+(RCw)4] (RCw)2

N2 = 9(RCw)4 +(RCw)2 -2(RCw)4+(RCw)6

N2 = (RCw)2 [1 +7(RCw)2+(RCw)4 ]

N= RCw[1 +7(RCw)2+(RCw)4 ]½.

Or D = 1+7(RCw)2 +(RCw)4.

T= N/D = RCw [1 +7(RCw)2+(RCw)4 ].

 

Déterminer le maximum Tmax de T et la fréquence f0 correspondante.

Dériver T par rapport à w :  On pose x = RCw

T = x [1 +7x 2+x4 ].

x= ; x' = 1 

v = [1 +7x 2+x4 ]; v'=-0,5 [14x+4x3 ][1 +7x 2+x4 ]-3/2.

T ' = [1 +7x 2+x4 ]-0,5x [14x+4x3 ][1 +7x 2+x4 ]-3/2.

T ' = [1 +7x 2+x4 ] -3/2 {[1 +7x 2+x4 ] -0,5x [14x+4x3 ] }

T ' = 0 si : 1 +7x 2+x4=7x 2+2x4

x4 = 1 ; x = x0 = 1 ; RCw0 = 1 ; w0 =1/(RC).

Or w0 =2pf0 ; f0 = 1/(2pRC).

T max = [1 +7+1 ] = 1/3.

Il s'agit bien d'un maximum car lorsque x tend vers zéro ou l'infini, T tend vers zéro.

 


Calculer les fréquences de coupure et la largeur de la bande passante.

 Les fréquences de coupures ( à 3 dB) sont telles que : T = Tmax / 2½ ou T2 = ½ T2max = 1/18.

soit T2= x2 [1 +7x 2+x4 ]-1 = 1/18

18x2 = 1 +7x 2+x4 ; 1-11x 2+x4=0

Changement de variable : X= x2 ; 1-11X + X2=0

D =121-4 = 117 ; D½ =10,816

X1 = (11-10,816) /2 = 0,0916 ; X2 = (11+10,816) /2 = 10,908.

x1 =3,30 ; x2 =0,30.

f1 = 3,30 f0 ; f2 = 0,30 f0 ; Df =f1- f2 = 3 f0.

Tracer le diagramme de Bode en gain, en phase.

T = [1/x2 +7+ x2 ].

Il faut représenter la fonction : g(dB) = 20 log T = -10 log (1/x2 +7+x2)

x
0,1
0,3
0,5
1
2
3,3
4
5
10
g(dB)
-20,9
-12,6
-10,5
-9,5
-10,5
-12,6
-13,6
-15
-20,3
j(°)
73
45
28
0
-28
-45
-51
-58
-73


 

 

 


retour -menu