Aurélie 04/09/07
 

Oscillations électriques entretenues : oscillateur de Van de Pol Capes 2000

 


Google

On s'intéresse à un dispositif électronique dit à " résistance négative" permettant d'obtenir des oscillations libres non amorties du dipole RLC.

L'amplificateur utilisé est supposé idéal. En régime linéaire, sa tension de sortie est, en valeur absolue, inférieure à la tension de saturation notée Vsat.

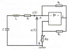
Relation entre la tension u(t) = VA-VB, i(t) et R0 :

u(t) = R0(i+is) ; u(t) = R1i + (R1+R0)( i+is)

d'où R1i +R1( i+is) =0 soit is = -2i

Par suite : u(t) = -R0i(t)

Valeur de R0 conduisant à l'entretien des oscillations :

En notant v(t) la tension aux bornes du condensateur :

v(t) + R i(t) + Ldi(t) /dt-R0i =0

si R = R0 : v(t) + Ldi(t) /dt = 0 ( éq. différentielle de l'oscillateur libres non amorti)

La puissance instantanée mis en jeu dans le dipôle RLC est dissipée dans le conducteur ohmique R : p = R i2(t)

A chaque instant les alimentations de l'amplificateur opérationnel fournissent au dipôle RLC la puissance R i2(t) et compensent ainsi la puissance perdue par effet Joule.

 



Oscillateur de van der Pol :

Pour tenir compte des non linéarités du montage, la caractéristique u=f(i) du dipole AB, réalisé avec l'amplificateur opérationnel, est modélisée par une courbe d'équation unique de la forme u= -R0i + b i3.

Etude de cette fonction : u= -R0i + b i3.

La dérivée du/di = -R0 + 3 bi2 s'annule pour les valeurs i1 = [ R0/(3b)]½ et i2 = - [ R0/(3b)]½

u présente donc deux extrémums pour i = i1 et i = i2.

La dérivée est négative sur l'intervalle [i2 ; i1] : la fonction u est décroissante sur cette intervalle.

La fonction u étant impaire, l'origine est centre de symétrie.

 Equation différentielle vérifiée par i(t) :

Le montage simulant une résistance négative est relié au dipôle RLC.

v(t) + R i(t) + Ldi(t) /dt+ u(t) =0 avec u= -R0i + b i3.

dv/dt + R di/dt + Ld2i/dt2 -R0 di/dt + 3b i2di/dt= 0

Or v(t) = q/C et i = dq/dt d'où dv/dt = i/C

Par suite i/C+ (R-R0+3 b i2) di/dt + Ld2i/dt2 = 0.

i+ (R-R0+3 b i2)C di/dt + LC d2i/dt2 = 0.(1)

Condition de stabilité de cet oscillateur :

On effectue le changement de variable suivant : x= i et t = t (LC) soit dt/dt = (LC)

(1) s'écrit : x + (R-R0+3 b x2)C dx/dt + LCd2x/dt2 = 0.

Or dx/dt = (LC)dx/dt et d2x/dt2 = (LC)-1 d2x/dt2

par suite : x + (R-R0+3 bx2)(C/L)½ dx/dt +d2x/dt2 = 0.

en posant a =(R0-R) (C/L)½ et b=3 b / (R0-R) :

x - a(1-bx2)dx/dt +d2x/dt2 = 0.

La condition de stabilité de l'oscillateur de Van der Pol est b > ou égal à0 soit R0> ou égal à R.


 

 
retour -menu