Aurélie 27/04/07
 

Concours ca/plp externe : repérage de température ; sonde de platine Pt100 2007


Google

 
I. Le thermomètre à liquide :

Il est constitué d'un réserve de liquide surmonté d'un long tube fin. Historiquement le liquide était de l'alcool pais on peut aussi utiliser du mercure.

La construction de ce genre de tube a été réalisée au début du XVIIIè siècle, mais encore fallait-il graduer le tube.

  1. L'échelle Celsius utilise pour sa définition deux phénomènes physiques auquels on attribue les températures 0°C et 100°C. Quels sont ces deux phénomènes physiques ?
  2. L'échelle Celsius est qualifiée de "centésimale". Quelle est la signification de ce terme ?
  3. Citer une des propriétés physiques remarquable du mercure.
  4. Les thermomètres médicaux à mercure sont interdits à la vente depuis 1998. Quel argument a motivé ce retrait ?
II. Etalonnage d'une sonde de platine ( Pt100) :

La résistance électrique d'un conducteur métallique croît avec la température. Cette variation de résistance est réversible. Comme métal, on peut utiliser l'or, le cuivre, le nickel ou le platine.

Un protocol expérimental propose de plonger une sonde de platine et un thermomètre à alcool ( supposé correctement étalonné ) dans un ballon contenant de l'eau. Un chauffe ballon permet d'élever progressivement la température de l'eau et un omhmètre est utilisé pour mesurer la résistance de la sonde de platine. On obtient le tableau de mesures ci-dessous :
q (°C)
0,0
10,0
20,0
30,0
40,0
50,0
60,0
70,0
80,0
90,0
100,0
R(W)
100,1
103,9
108,2
111,4
115,2
118,7
123,8
127,2
130,2
135,8
139,9
La résistance de la sonde de platine est donnée par la relation :

R(q) = R0[1+Aq + Bq2 +Cq3(q-100)], où q est la rempérature en °C.

R0 = 100 W ; A= 3,9083 10-3 S.I ; B=-5,775 10-7 S.I ; C= -4,183 10-12 S.I

Les sondes de platine Pt100 présentent l'avantage de posséder une bonne linéarité, c'est à dire que le modèle linéaire R(q) = R0[1+Aq] est une bonne approximation de la relation complète.

  1. Quelle est l'unité de A ? de B ?
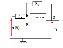
  2. Faire un schéma annoté du dispositif expérimental qui a permis de dresser le tableau.
  3. Rappeler comment on sélectionne le bon calibre d'un ohmètre.
  4. En considérant le mode linéaire comme satisfaisant, trouver la valeur expérimentale Aexp de A par une méthode que vous décrirez.
  5. Comparer A (théorique) et Aexp. Ce résultat confirme t-il que le modèle linéaire constitue une très bonne approximation de la relation complète ?
II. Mesure de température à l'aide d'une sonde de platine ( Pt100) :

 La sonde Pt100 ( symbolysée par le conducteur ohmique de résistance RPt) est insérée dans le montage suivant :

L'intérêt de ce circuit est de convertir une information " résistance" en information "tension".

La notice précise qu'il faut éviter les intensités supérieures à 3 mA, car un risque d'auto-échauffement excessif de la sonde préjudiciable à la mesure existe alors ( élévation de température de 0,5 K quand l'intensité traversant la sonde est de 3 mA).

  1. Que signifie K dans 0,5 K qui apparaît dans la notice? Quelle relation relie une température exprimée en K et la même exprimée en °C ?
    Soit U(q) la tension entre Q et N quand la température de la sonde est q et UPt la tension aux bornes de la sonde Pt100 à cette même température. On prendra pour les applications numériques R1=R2=R3=100 W et E= 10 V.
  2. Comment appelle t-on la partie du circuit, située entre M et P et constituée de conducteurs ohmiques.
  3. Exprimer UPt en fonction de E et de certaines résistances constituant le circuit.
  4. En déduire l'intensité IPt circulant dans la sonde de platine en fonction de E et de certaines résistances constituant le circuit.
  5. Exprimer U1 =UMQ en fonction de E et de certaines résistances constituant le circuit.
  6. Déduire des questions précédentes l'expression U(q) en fonction de E, R0, R1, R2, R3, A et q.
  7. A.N : calculer U(q) et IPt quand:
    - la sonde est en contact avec un thermostat dont la température est 0°C.
    - la sonde est en contact avec un thermostat dont la température est 100°C.
  8. La sonde est-elle utilisée dans de bonnes conditions ? Justifier.
  9. Quel phénomène physique permet d'expliquer l'auto-échauffement ?
  10. Pour diminuer le phénomène d'auto-échauffement, un professeur conseille de diminuer E et d'augmenter R1 et R2. Ces choix ne sont pas sans conséquences sur U(q) : pour certaines valeurs de E, R2 et R3 ( différentes de celles utilisées dans l'énoncé), cette tension varie alors seulement de 0 mV à 32 mV.
    Proposer un schéma de montage permettant d'amplifier cette tension.


I. Le thermomètre à liquide :

L'échelle Celsius utilise pour sa définition deux phénomènes physiques auquels on attribue les températures 0°C et 100°C : fusion de la glace et ébullition de l'eau sous une pression de 1 bar.

L'échelle Celsius est qualifiée de "centésimale". L'intervalle de température repéré par les deux phénomènes physiques est divisé en 100 graduations.

Une des propriétés physiques remarquable du mercure : liquide à température ambiante sous une pression de 1 bar.

Les thermomètres médicaux à mercure sont interdits à la vente depuis 1998. En cas de casse, le mercure se répand sur le sol ; il est difficile à récupérer ; il s'évapore lentement, les vapeurs étant nocives.

II. Etalonnage d'une sonde de platine ( Pt100) :

La résistance de la sonde de platine est donnée par la relation :

R(q) = R0[1+Aq + Bq2 +Cq3(q-100)], où q est la rempérature en °C.

unité de A : Aq est sans dimension, q est en °C donc A est en °C-1.

unité de B : Bq2 est sans dimension, q est en °C donc B est en °C-2.

Schéma annoté du dispositif expérimental qui a permis de dresser le tableau :

On sélectionne le bon calibre d'un ohmètre en commençant par le plus grand, puis en diminuant ; on s'arrête au calibre précédent celui qui indique 1.

Valeur expérimentale Aexp de A :

 

A (théorique) et Aexp sont identiques. Ce résultat confirme que le modèle linéaire constitue une très bonne approximation de la relation complète.


 


III. Mesure de température à l'aide d'une sonde de platine ( Pt100) :

" K" dans "0,5 K" signifie Kelvin.

Relation reliant une température exprimée en K et la même exprimée en °C :

température en Kelvin = 273 + température en Celsius.

La partie du circuit, située entre M et P et constituée de conducteurs ohmiques est un "pont de conducteurs ohmiques ".

Expression de UPt en fonction de E et de certaines résistances constituant le circuit :

UPt=UMN=UMP+UPN =UMP-UNP = E-R3IPt.

de plus E= (RPt+R3)IPt soit IPt =E/(RPt+R3)

d'où UPt= E-R3=E/(RPt+R3) ; UPt= ERPt/(RPt+R3)

Expression de l'intensité IPt circulant dans la sonde de platine :

IPt =E/(RPt+R3)

Expression de U1 =UMQ en fonction de E et de certaines résistances constituant le circuit :

U1=UMQ=UMP+UPQ =UMP-UQP = E-R2I1.

Or E= (R1+R2)I1 soit I1 =E/ (R1+R2)

U1= E-R2E/ (R1+R2) ; U1=R1E/ (R1+R2)

Expression U(q) en fonction de E, R0, R1, R2, R3, A et q :

U(q) =UQN= UQM+UMN= -UMQ+UMN= UPt-U1=ERPt/(RPt+R3) -R1E/ (R1+R2)

avec RPt =R(q) = R0(1+Aq)

U(q) = E[R0(1+Aq)/(R0(1+Aq)+R3) -R1/ (R1+R2)].
Calcul de U(q) et IPt quand:
- la sonde est en contact avec un thermostat dont la température est 0°C.

U(0)=10[100/200-100/200) ; U(0)= 0 V.

IPt =E/(R0(1+Aq)+R3) ; IPt =10/200 ; IPt =0,05 A.
- la sonde est en contact avec un thermostat dont la température est 100°C.

 U(100)=10[140/240-100/200) ; U(100)= 0,83 V.

IPt =E/(R0(1+Aq)+R3) ; IPt =10/240 ; IPt =0,042 A.
La sonde n'est pas utilisée dans de bonnes conditions : l'intensité IPt dépasse 3 mA.

L'effet Joule permet d'expliquer l'auto-échauffement.

Pour diminuer le phénomène d'auto-échauffement, un professeur conseille de diminuer E et d'augmenter R1 et R2. Ces choix ne sont pas sans conséquences sur U(q) : pour certaines valeurs de E, R2 et R3 ( différentes de celles utilisées dans l'énoncé), cette tension varie alors seulement de 0 mV à 32 mV.
Schéma de montage permettant d'amplifier cette tension :


 

retour -menu