Aurélie 21/06/07
 

Amplificateur de différence bac électrotechnique 2007 France


Google

On désire maintenir la vitesse du tapis à 12 km/h quelle que soit la charge. Pour cela on va réguler la vitesse du moteur.

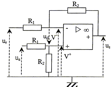
La régulation de vitesse étant complexe, nous admettrons pour simplifier que les valeurs de U et de f sont réglées par un système électronique commandé par une tension us, tension de sortie d'un amplificateur de différence (voir schéma ci-dessous).

L'entrée non inverseuse de l'amplificateur opérationnel (A.O.) est alimentée par une tension continue ua et l'entrée inverseuse par une tension ur délivrée par une génératrice tachymétrique. Cette tension à ur est proportionnelle à la fréquence de rotation du moteur. On a : ur = 0,01.n (n en tr.min-1).

  1. La tension de consigne ua (image de la vitesse souhaitée) est une tension continue comprise entre 0 et 15 V. Elle est obtenue à partir de la tension alternative sinusoïdale du secteur (230 V, 50 Hz). Nommer les convertisseurs statiques de puissance permettant d'obtenir, à partir d'une tension sinusoïdale :
    - une tension sinusoïdale de même fréquence et de valeur efficace différente ;
    - une tension unidirectionnelle ; citer un composant associé au convertisseur qui permet d'atténuer les ondulations de tension.
  2. La tension us est la tension de sortie de l'amplificateur de différence précédent. L'amplificateur opérationnel est considéré comme parfait. Les valeurs des tensions de saturation sont 0 V et 15 V.
    - L'amplificateur opérationnel fonctionne en régime linéaire : justifier.
    - Exprimer V+ (tension entre l'entrée non inverseuse et la masse du montage) en fonction de R1, R2 et ua.
    - Montrer que V- (tension entre l'entrée inverseuse et la masse du montage) est égale à (R2ur +R1us) / (R1+R2).
    - Donner l'expression de ud (tension différentielle d'entrée) en fonction de V+ et V- . Quelle est sa valeur, l'amplificateur opérationnel fonctionnant en régime linéaire ?
    - En déduire l'expression de us en fonction de R1, R2, ua et ur. Justifier le nom d'amplificateur de différence donné au montage.
    - R2 = 10 R1. Quelle est la valeur du coefficient d'amplification A du montage ?
  3. La fréquence f de la tension délivrée par l'onduleur est proportionnelle à us : f = 3 us. Pour n = 580 tr.min-1, calculer ur et f sachant que ua = 6,83 V et R2 = 10 R1.
  4. La tension de consigne ua reste constante. A une légère variation de la fréquence n de rotation du moteur, le système réagit. En se plaçant dans le cas où cette variation est une augmentation, dans quels sens évoluent respectivement ur, us, f, ns, puis finalement n ? A-t-on obtenu le résultat escompté ?
 



Convertisseurs statiques de puissance permettant d'obtenir, à partir d'une tension sinusoïdale :
- une tension sinusoïdale de même fréquence et de valeur efficace différente : transformateur.

- une tension unidirectionnelle : diode, pont de diodes associée à une bobine de lissage, ou à un condensateur en dérivation afin d'atténuer les ondulations de tension.



L'amplificateur opérationnel fonctionne en régime linéaire : absence de liaison entre la sortie et l'entrée non inverseuse E+.

liaison entre la sortie et l'entrée E- ( contre réaction)
Expression de V+ en fonction de R1, R2 et ua :

On note i l'intensité traversant R1 et R2.

V+ = R2 i soit i = V+ / R2.

ua=(R1+R2) i ; ua= V+ (R1+R2) / R2.

V+ = R2ua/(R1+R2)

ou bien écrire le théorème de Milleman en V+ :

V+ [1/R1 + 1/R2] = ua/R1 ;
Montrons que V- est égale à (R2ur +R1us) / (R1+R2) :

écrire le théorème de Milleman en V- :

V- [1/R1 + 1/R2]= us/R2+ur/R1.

Réduire au même dénominateur R1R2 :V+ [R1 +R2] = R1us+R2ur.

V-=(R2ur +R1us) / (R1+R2)


Expression de ud (tension différentielle d'entrée) en fonction de V+ et V- :

ud=V+ -V-= 0 en régime linéaire.

Expression de us en fonction de R1, R2, ua et ur :

V-=V+= R2ua/(R1+R2) = (R2ur +R1us) / (R1+R2)

R2ua=R2ur +R1us.

us=(ua-ur)R2/R1.

Ce montage effectue la différence des tensions ua et ur : de plus cette différence est multipliée par le facteur R2/R1.
Le coefficient d'amplification A du montage vaut A =R2/R1 ; A = 10.


 


La fréquence f de la tension délivrée par l'onduleur est proportionnelle à us : f = 3 us.

Pour n = 580 tr.min-1, calcul de ur et f sachant que ua = 6,83 V et R2 = 10 R1.

ur = 0,01.n (n en tr.min-1) ; ur = 0,01*580 ; ur = 5,8 V.

us=10(ua-ur) =10 (6,83-5,80)=10,3 V

f= 3 us= 3*10,3 ; f=31 Hz.

La tension de consigne ua reste constante.

A une légère variation de la fréquence n de rotation du moteur, le système réagit.

En se plaçant dans le cas où cette variation est une augmentation, dans quels sens évoluent respectivement ur, us, f, ns, puis finalement n ?

ur = 0,01.n, donc si n croît alors ur augmente.

(ua-ur) diminue puisque ua = constante.

us=10(ua-ur), donc us diminue si n croît.

f= 3 us, donc f diminue si n croît.

ns= f/p avec p constant : nsdiminue si n croît.

Or n =ns-40 : la diminution de ns entraîne celle de n et le résultat escompté est atteint.

 
retour -menu