Aurélie dec 04

Chimie : structure ; propriétés de l'aspirine ;

physique : étude d'oscillateurs ; optique géométrique et ondulatoire

d'après concours caplp2 1996






Google



Structures
  1. Donner les structures électroniques de l'état fondamental de l'atome de carbone de numéro atomique Z= 6 et de l'atome d'oxygène ( Z=8).
    - Définir la valence d'un atome. Quelles sont les valences du carbone et de l'oxygène que l'on détermine à partir des structures électroniques précédentes ?
    - En fait la valence du carbone est le plus souvent égale à 4. Proposer une autre structure électronique de l'atome de carbone qui permet de rendre compte de cette valeur.
    - Donner les représentations de Lewis des atomes de carbone et d'oxygène, des molécules de méthanol et de méthanal.
  2. Dans la méthode VSEPR les molécules sont considérées comme des arrangements d'atomes autour d'un atome central A. Cet arrangement est noté AXnEm; E représente les doublets non liants portés par A, X les liaisons covalentes de A, m et n étant leur nombre respectifs.
    - Ecrire les arrangements VSEPR autour des atomes de carbone et d'oxygène dans le méthanol, autour de l'atome de carbone dans le méthanal.
    - Représenter dans l'espace les molécules de méthanol et de méthanal en utilisant les conventions de Cram.
    - Dans l'échelle de Pauling, les électronégativités
    C des atomes de carbone, d'oxygène et d'hydrogène valent respectivement : 2,5 ; 3,5 ; 2,2. Indiquer qualitativement ce que permettent de déduire ces données sur le caractère polaire des liaisons C-O et O-H dans la molécule de méthanol. Faire apparaître ce caractère sur une figure.
    - La mesure de l'angle de liaison C-O-H dans la molécule de méthanol conduit à une valeur légèrement différente de celle prévue en première approximation par la méthode VSEPR. Quelle est la valeur prévue pour cet angle de liaison par la méthode VSEPR ? Proposer une explication justifiant la différence de cette valeur à la valeur mesurée. L'angle mesuré est-il plus petit ou plus grand que l'angle prévu ?

corrigé
Structures électroniques de l'état fondamental de l'atome de carbone : 1s2, 2s2, 2p2 et de l'atome d'oxygène :1s2, 2s2, 2p4 .

La valence d'un atome est égale au nombre de liaisons de covalence simples mises en oeuvre par un atome

valence du carbone : 4 et de l'oxygène : 2

La valence est égale au nombre d'électrons externes célibataires.

Dans le cas du carbone on observe une hybridation de type sp3 entre l'orbitale 2 s et les orbitales 2p

représentations de Lewis des atomes de carbone et d'oxygène, des molécules de méthanol et de méthanal :

Les arrangements VSEPR autour des atomes de carbone AX4 ( structure tétraédrique) et d'oxygène AX2E2 ( forme en V) dans le méthanol, autour de l'atome de carbone AX3 ( plane triangulaire) dans le méthanal.

Les molécules de méthanol et de méthanal en utilisant les conventions de Cram.

Le caractère polaire des liaisons C-O et O-H dans la molécule de méthanol.

Les électrons de la liaison covalente sont plus proches de l'atome le plus électronégatif.
L'atome d'oxygène contracte deux liaisons simples respectivement avec l'atome de carbone et l'atome d'hydrogène. La géométrie localement plane autour de l'atome d'oxygène dérive d'un arrangement tétraédrique des paires d'électrons. Puisque les paires non liantes occupent en moyenne un volume plus grand que les paires liantes, on prévoit un angle entre les liaisons inférieur à 109°

Le volume occupé par les doublets liants décroît lorsque la différence d'électronégativité des atomes liés augmente. Drainés vers l'atome le plus électronégatif, les électrons de liaison davantage confinés dans l'espace internucléaire se repoussent moins.

La mesure de l'angle de liaison C-O-H dans la molécule de méthanol sera proche de 106°.



Propriétés de l'aspirine :
  1. Nommer les deux groupes fonctionnels
  2. Calculer la masse molaire de l'aspirine : C: 12 ; H : 1 ; O : 16 g/mol
  3. La solubilité de l'aspirine dans l'eau est 3,3 g/L à 25°C. Calculer le volume minimal de solution prise à cette température, obtenu par dissolution complète d'un comprimé d'aspirine pur contenu dans 500 mg d'acide acéthylsalicylique (aspirine). Calculer la concentration molaire de cette solution notée solution S.
  4. L'acide acéthylsalicylique est un acide faible Ka = 3,2 10-4. Ecrire la réaction entre cet acide et l'eau.
    - Quel est le pH de cette solution S ?
    - Représenter le diagramme de prédominance des formes ionisée et non ionisé de l'aspirine. Justifier.
    - Après ingestion de la solution S dans l'estomac, le pH du liquide gastrique obtenu est voisin de 1,5. Quelle est la forme prédominante de l'aspirine dans ce milieu ?
    - Calculer le coefficient de dissociation de l'aspirine dans la solution S puis dans le liquide gastrique.
  5. On commercialise parfois l'aspirine sous forme de comprimés effervescents. Outre l'aspirine ces comprimés contiennent de l'hydrogénocarbonate de sodium NaHCO3. Couples acide base : H2O, CO2 / HCO3- pKa1 = 6,35 et HCO3- / CO32- pKa2 = 10,3.
    - Lors de la dissolution dans l'eau d'un comprimé effervescent on observe la réaction prédominante
    HCO3- + AH = CO2 + A-+H2O Justifier que le comprimé est effervescent.
    - Calculer la constante de l'équilibre précédent. En pratique lorsqu'on part d'un mélange stoéchiométrique on peut considérer la réaction pratiquement totale.
    - Indiquer un intérêt pour ce type de comprimé par rapport à un comprimé d'aspirine pure.
  6. Synthèse de l'aspirine : le phénol se comporte en solution aqueuse comme un acide faible.

    - La délocalisation électronique sur la molécule est schématisée ci-dessus. Compléter la séquence par d'autres formules limites. Comment appelle t-on de telles formes ?
    - On veut obtenir du phénate de sodium en utilisant de la soude très concentrée et du phénol. Ecrire l'équation de la réaction. De quel type de réaction s'agit-il ?
    - L'action du dioxyde de carbone vers 125°C sous une pression de 5 bars sur le phénate de sodium conduit au salicylate de sodium de formule C7H5O3Na. Quel type de réaction de substitution a-t-on réalisé ?
    - On constate que la réaction de substitution sur l'ion phénate est orientée comme l'est une substitution sur le phénol. Indiquer quel est ou quels sont les produits majoritaires d'une monosubstitution de l'ion phénate. Justifier.
    - La réaction de substitution est plus facile avec l'ion phénate qu'avec le phénol. Pourquoi ? On considère par la suite que les conditions expérimentales ne conduisent qu' l'isomère ortho.

  7. Traité par un acide fort ( H3O+) le salicylate de sodium obtenu conduit à l'acide salicylique. Ecrire l'équation bilan de la réaction. pKa ( acide salicylique/ ion salicylate) = 3
    - La réaction est-elle totale ? Justifier.
  8. Par réaction avec l'anhydride éthanoïque vers 70°C en présence d'acide sulfurique, l'acide salicylique conduit à l'aspirine. Ecrire l'équation de la réaction. Quel est le rôle de l'acide sulfurique ? Pourquoi utilise t-on l'anhydride et non l'acide éthanoïque ?
  9. Dans un erlenmeyer de 125 mL on introduit 4,7 g d'acide salicylique et 5,4 g d'anhydride éthanoïque. On ajoute 5 gouttes d'acide sulfurique concentré. Calculer les quantités de matière et les comparer.
  10. On chauffe le mélange au bain marie, vers 60 °C pendant 20 min en agitant. On retire l'erlenmeyer du bain marie et on procède cristallisation . On filtre sur bûchner, on lave les cristaux à l'eau glacée et on les essore. On recristallise le solide obtenu.
    - Pourquoi recristallise-t-on le solide ? décrire le mode opératoire.
    - Quelle quantité théorique d'aspirine peut-on obtenir ?
    - On obtient 4 g de cristaux. Quel est le rendement ?
    -Citer deux méthode de vérification de la pureté de l'aspirine obtenue.
 


corrigé

Formule brute : C9H8O4 ; M= 9*12+8*4*16 = 184 g/mol.

Volume minimal de solution obtenu par dissolution complète d'un comprimé d'aspirine pur 0,5 g

On peut dissoudre 3,3 g dans 1 L d'eau d'où : 0,5*1/3,3 = 0,152 L.

Qté de matière aspirine dans 0,5 g = masse (g) / masse molaire (g/mol) = 0,5 / 184 = 2,72 10-3 mol

Concentration molaire de la solution S : Qté de matière (mol) / volume de la solution (L) = 2,72 10-3 /0,151 =1,8 10-2 mol/L.

Réaction entre cet acide et l'eau : AH + H2O= H3O+ + A- ; Ka = 3,2 10-4.

la solution est électriquement neutre et HO- négligeable en milieu acide : [H3O+]=[A-]

conservation de A :[A-] + [AH] = 1,8 10-2 mol/L ; [AH] + [H3O+] = 1,8 10-2

Ka = [H3O+][A-]/[AH] =3,2 10-4 ; [H3O+]² / (1,8 10-2 - [H3O+])=3,2 10-4 ;

[H3O+]² = 3,2 10-4 (1,8 10-2 - [H3O+])

[H3O+]² +3,2 10-4 [H3O+]-3,2 10-4 *1,8 10-2=0

[H3O+] = 2,24 10-3 ; pH= 2,65.

La forme prédominante de l'aspirine à pH= 5, inférieur à pKa est la forme acide AH.

Coefficient de dissociation a = [A-]/ c de l'aspirine dans la solution S puis dans le liquide gastrique
pH=pKa + log ([A-]/[AH]) soit log ([A-]/[AH]) =pH-pKa

et [AH]+[A-] = c ; [A-](1+ [AH]/[A-]) = c ; [A-] / c = (1+ [AH]/[A-])-1.

solution S : log ([A-]/[AH]) = 2,65 -3,5 = - 0,85 ; [A-]/[AH] =0,141 ; [AH]/[A-]= 1/0,141 = 7,1

[A-](1+7,1) = c ; [A-]/c = 1/8,1 = 0,23.

suc gastrique : log ([A-]/[AH]) = 1,5 -3,5 = - 2 ; [A-]/[AH] =0,01 ; [AH]/[A-]= 1/0,01 = 100

[A-](1+100) = c ; [A-]/c = 1/101 = 0,01.


Le comprimé est effervescent, car il se dégage un gaz, dioxyde de carbone.

Le pH de la solution d'aspirine effervescente est peu acide ( pas de brûlure d'estomac) ; la dissolution du comprimé est plus facile : le dégagement gazeux disperse de petits fragements du comprimé en solution.

HCO3- + AH = CO2 + A-+H2O
La constante de l'équilibre : K= [CO2][A-] / [HCO3-][AH ]

CO2 + 2H2O = HCO3- + H3O+ avec Ka1 = 10-6,35 = [HCO3-][H3O+]/ [CO2]

AH +H2O = A- + H3O+ avec Ka= 3,2 10-4 =[A-] [H3O+] / [AH ]

K=Ka / Ka1 = 3,2 10-4 / 10-6,35 = 3,2 10-4 / 4,47 10-7 = 716.




formes mésomères

réaction acide base : F-OH + HO- = F-O- + H2O

L'action du dioxyde de carbone sur le phénate de sodium conduit au salicylate de sodium de formule C7H5O2Na : réaction de substitution électrophyle
Les produits majoritaires d'une monosubstitution de l'ion phénate : substitution en ortho et para avec activation.
La réaction de substitution est plus facile avec l'ion phénate qu'avec le phénol : l'atome d'oxygène de l'ion phénate possède une charge négative, en conséquence les sommets ortho et para ont une densité électronique plus élevée que pour le phénol.

salicylate de sodium + H3O+ = acide salicylique + H2O ou A- + H3O+ = AH + H2O

K= [AH]/ ([A-][ H3O+])= 1/Ka = 1/10-3 = 1000, valeur grande, donc réaction totale.

acide salicylique +( CH3-CO)2O= aspirine + CH3-COOH.

L'acide sulfurique est un catalyseur ; avec l'anhydride éthanoïque, la réaction est totale ; avec l'acide éthanoïque elle est limitée par l'hydrolyse de l'ester.


Quantités de matière :

acide salicylique : C7H6O3 : 138 g/mol ; 4,7 / 138 = 3,4 10-2 mol.

anhydride éthanoïque : ( CH3-CO)2O : M= 102 g/mol ; 5,4 / 102 = 5,3 10-2 mol ( en excès)

On recristallise le solide afin de le purifier : dissoudre le solide à chaud dans le volume minimum de solvant, puis laisser refroidir : le solide cristallise à froid.

Quantité théorique d'aspirine (M= 180 g/mol) : 3,4 10-2 mol soit 3,4 10-2*180 = 6,12 g
Rendement 4/6,12 = 0,65 (65 %)
Vérification de la pureté de l'aspirine obtenue : chromatographie sur couche mince ou mesure du point de fusion.


étude d'oscillateurs :

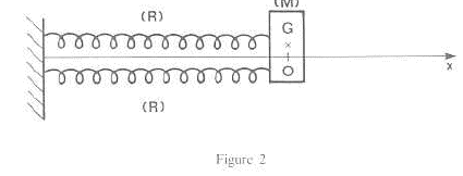
Un pendule horizontal est constitué d'un ressort (R), de masse négligeable, de raideur k et d'un solide (M) de masse m. L'une des extrémités de (R) est liée à (M), l'autre à une paroi fixe. (M) évolue sur une table à coussin d'air horizontale. On néglige les frottements. On écarte (M) vers la droite ; lorsque G a une abscisse a, on abandonne (M)sans vitesse initiale.

  1. Etablir l'équation différentielle du mouvement faisant intervenir l'abscisse x de G et x" = d²x/dt².
  2. En déduire l'équation horaire du mouvement et l'expression de la période. On prendra pour origine des dates l'instant où (M) est abandonné à lui même, G ayant pour abscisse a. Faire les applications numériques sur l'équation horaire et sur la période avec k= 2 N/m ; m=100g ; a= 2 cm. On conservera ces valeurs par la suite.
  3. Le ressort (R) est remplacé par un ensemble de deux ressorts, ayant chacun les mêmes caractéristiques que (R). Quelle est l'expression de la période du nouvel oscillateur ? calculer sa valeur.
  4. Oscillations mécaniques amorties : on reprend l'étude du pendule élastique à un ressort mais en ne négligeant plus les frottements : on les assimile à une force unique f s'exerçant sur (M), colinéaire à la vitesse, de sens contraire, de valeur f=hv, v étant la valeur de la vitesse de (M). l'oscillateur est mis en mouvement comme dans la première partie avec les mêmes origines d'espace et de temps.
    - Donner l'unité de h dans le système S.I.
    - Etablir l'équation différentielle du mouvement de G relaint x, x' et x".
    - Suivant la valeur de h, (M) peut effectuer ou non des oscillations autour de sa position d'équilibre. A quelle condition doit satisfaire h pour qu'il y ait oscillation ? Donner les réponses littérales et numériques.
    - Donner sans calculs justificatifs, les représentations graphiques de x(t) en régime pseudo-périodique et en régime apériodique.
  5. Oscillations électriques non amorties : un condensateur parfait, de capacité C, est initialement déchargé. On envisage de le charger à l'aide d'un générateur de tension continue constante U, le circuit de charge comprend un conducteur ohmique de résistance r. Pour réaliser cette opération on fait bassculer à la date t=0 l'interrupteur de la position 0 à la position 1.

    - Etablir l'équation différentielle de la charge du condensateur faisant intervenir q, charge portée par l'armature supérieure du condensateur et q' = dq/dt.
    - En déduire l'expression de q en fonction du temps. r = 10 kW ; C= 2 mF ; U= 6V.
    - Pourquoi peut-on estimer que la charge du condensateur est terminée lorsque t >5 t ?

  6. La charge du condensateur étant terminée, l'interrupteur est déplacé instantanément de la position 1 à la position 2, à une date qui est choisie comme nouvelle origine des temps. La bobine a une inductance notée L, sa résistance est négligeable.
    - Etablir l'équation différentielle du circuit faisant intervenir q et q"= d²q/dt².
    - En déduire les expressions littérale et numérique de q en fonction du temps. Calculer la période T si L= 1 H.
  7. On reprend la série d'expériences ci-dessus en remplaçant le condensateur par l'association en parallèle de deux condensateurs chacun de capacité C. Calculer la période de l'oscillateur.
  8. Oscillations électriques amorties : on reprend l'étude du circuit comprenant un seul condensateur. On ne néglige plus la résistance R de la bobine. Le condensateur ayant été complétement chargé, l'interrupteur est déplacé de la position 1 à la position 2 à une date choisie comme origine des temps.
    - Etablir l'équation différentielle reliant q, q' et q".
    - Suivant la valeur de R on observe ou non des oscillations électriques dans le circuit. A quelle conditions doit satisfaire R pour qu'il y ait oscillations électriques ? Donner des réponses littérales et numériques.

corrigé
Equation différentielle du mouvement faisant intervenir l'abscisse x de G et x":

ou encore x"+k/m x=0 ; en posant w²= k/m = 2/0,1 =20 ; w= 4,47 rad/s ; T= 2p / w= 6,28 / 4,47 = 1,40 s.

x"+ w²x=0 ; équation horaire du type x(t) = a cos (wt) = 0,02 cos(4,47 t).

Le ressort (R) est remplacé par un ensemble de deux ressorts, ayant chacun les mêmes caractéristiques que (R). L'association est équivalente à un ressort unique de raideur 2k.

d'où la nouvelle période : T' = 2p(m/(2k))½=6,28 (0,1/4)½= 0,993 s.


on les assimile à une force unique f s'exerçant sur (M), colinéaire à la vitesse, de sens contraire, de valeur f=hv, v étant la valeur de la vitesse de (M). l'oscillateur est mis en mouvement comme dans la première partie avec les mêmes origines d'espace et de temps.
l'unité de h dans le système S.I : force / vitesse = masse * accélération / vitesse

kg m s-2 m-1 s : h s'exprime en kg s-1.
Equation différentielle du mouvement de G relaint x, x' et x" :

à l'expression précédente x"+k/m x=0 on ajoute à gauche +hv soit hx'

x"+h x' +k/m x=0
A quelle condition doit satisfaire h pour qu'il y ait oscillation : le discriminant de l'équation r²+h r +k/m=0 doit être négatif

h²-4k/m <0 soit h² < 4k/m ; h<2(k/m)½ ; h <8,94 kg s-1.



Equation différentielle de la charge du condensateur :

ug= r i + q/C avec i = dq/dt = q' ; ug= rq' + q/C ; q' +1/(rC) q= ug.

On pose rC= t = 104*2 10-6 = 0,02 s; q' +1/t q= ug ; q'+1/0,02 q= 6 ; q' + 50 q= 6.
q(t) = U(1-exp(-t/t)) = 6(1-exp(-50t))

q(t= 5t) = 6(1-exp(-50*5*0,02)) = 6(1-exp(-5) )= 5,96 V

La charge du condensateur est pratiquement terminée lorsque t =5 t .


Equation différentielle du circuit faisant intervenir q et q"= d²q/dt²:

q/C= Ldi/dt avec i = -dq/dt ( décharge) soit di/dt = - d²q/dt² = -q"

q/C= -Lq" ; q/C+Lq"=0 ; q"+1/(LC)q=0 ;

w²= (LC)-1 = (1*2 10-6)-1= 5 105 ; w= 707 rad/s ; T= 2p / w= 6,28 / 707 = 8,89 10-3 s.
q(t) = q0 exp(-t/(LC)) avec q0 = CU = 2 10-6 *6 = 1,2 10-5 C et 1/(LC) =5 105

On reprend la série d'expériences ci-dessus en remplaçant le condensateur par l'association en parallèle de deux condensateurs chacun de capacité C : le condensateur équivalent a une capacité égale à 2C.

Nouvelle période de l'oscillateur : 2p (2LC)½ = 6,28 ( 4 10-6)½ = 1,26 10-2 s.


Oscillations électriques amorties : Equation différentielle reliant q, q' et q".

ajouter Ri = -Rq' à droite de l'expression q/C= Ldi/dt +Ri

q/C+Rq'+Lq"=0 ; q"+ R/L q' + q(LC)=0.
A quelle condition doit satisfaire R pour qu'il y ait oscillation : le discriminant de l'équation r²+R/L r +1/(LC)=0 doit être négatif

(R/L)²-4/(LC) <0 soit R² < 4L/ C; h<2(L/C)½ ; R <1,41 kW.



optique :

A optique géomètrique : la source ponctuelle (S) émet un pinceau de lumière monochromatique assimilable à un rayon SI1. Ce rayon fait un angle a avec l'horizontale. Le rayon se réfléchi en I1 sur le miroir horizontal (M). Après réflexion en I1, le rayon lumineux frappe en I2, la surface libre de l'eau contenue dans la cuve. Cette cuve possède un fond horizontal recouvert d'un miroir (M'). Le plan horizontal contenant la source (S) et la surface libre de l'eau contenue dans la cuve est à égale distance des plans horizontaux contenant respectivement le miroir (M) et le miroir (M').

h= 10 cm ; a= 30 ° ; indice de l'eau par rapport à l'air : n = 1,33.

  1. Enoncer les lois de Descartes relatives à la réflexion et à la réfraction.
  2. Etablir l'expression de SI2 en fonction de h et a. Calculer numériquement SI2.
  3. Toute l'énergie lumineuse incidente en I2 est-elle transmise à l'eau ?
  4. Le rayon transmis en I2 se réfléchi en I3 sur le miroir (M'), puis frappe la surface libre de l'eau en I4. Etablir l'expression de SI4 en fonction de h, n et a. Calculer SI4.

B optique ondulatoire :

  1. Donner, en longueur d'onde dans le vide, les limites que l'on attribue généralement au domaine visible de la lumière. Classer par longueur d'onde croissante, les domaines suivants : micro-ondes ; visible ; UV; ondes radio ; IR et rayons X.
  2. On réalise une expérience d'interférences à l'aide des fentes d'Young.

    (S) est une source ponctuelle monochromatique de longueur d'onde l= 0,5 m m.
    L1 est une lentille mince convergente de distance focale f1 = 10 cm, de centre optique O1 et d'axe optique SO.
    P est une plaque opaque dans laquelle sont percées deux fentes parallèles dont les directions, perpendiculaires au plan de la figure coupent ce plan en FA et FB. Ces fentes sont telles que : O'FA=O'FB=a/2=0,25 mm
    (L2) est une lentille mince convergente de distance focale f2 = 50 cm d'axe optique SO.
    ( E) est un écran perpendiculaire à l'axe SO.

  3. Quelle doit être la distance SO1 pour que le faisceau émergent de L1 soit parallèle à SO ?
  4. Lorsque le réglage précédent a été réalisé on constate que les faisceaux divergents sortent des fentes. Quel phénomène optique a été produit par ces fentes ? A quelle conditions doivent satisfaire les fentes pour qu'il en soit ainsi ?
  5. La distance O2O est égale à f2. Après avoir défini la notion de chemin optique, montrer que la différence de chemin optique entre deux rayons issus de S et arrivant sur l'écran au point M d'abscisse OM=x est égale à ax/f2. Faire un schéma soigné.
  6. Décrire l'aspect de l'écran E. Calculer l'interfrange i.

corrigé
Lois de Descartes relatives à la réflexion et à la réfraction.

rayons incident, réfléchi et réfracté sont dans un même plan

angle d'incidence = angle de réfraction ; n1 sin i1 = n2 sin i2.

Expression de SI2 en fonction de h et a : SI2 = 2 SH ; tan a =h/ SH ; SI2 = 2h/ tan a ;

SI2 =2*0,1 /tan30 = 0,346 m.

L'énergie lumineuse incidente en I2 est en partie réfléchie dans l'air et en partie transmise à l'eau.

Expression de SI4 en fonction de h, n et a : SI4 = SI2 +2 LI2 ; tan d = LI2 /h ;

SI4 = SI2 +2h tan d = 2h/ tan a + 2h sin d / (1-sin²d)½ ;

sin b = sin ((½p-a) = cos a = n sin d ; sin d = cos a / n

SI4 = 2h / tan a + 2h cos a /(n²-cos²a)½ ;

SI4= 0,2[1/tan30+ cos30/(1,33²-cos²30)½= 0,517 m.


La distance SO1 doit être égale à f1 = 10 cm pour que le faisceau émergent de L1 soit parallèle à SO.

Phénomène optique produit par ces fentes : diffraction ( dans la mesure où la largeur des fentes est du même ordre de grandeur que la longueur d'onde de la lumière)

Chemin optique : chemin parcouru par la lumière dans le vide pendant la durée de propagation dans le milieu considéré.

différence de marche d = n(S1M-S2M) . Tout le système est plongé dans le même milieu d'indice n=1. On supposera D >> a soit S1M + S2M voisin 2 D.

S1M²=D²+(x-0,5 a)²

S2M²=D²+(x+0,5 a)²

S2M² -S1M² = (x+0,5 a)²-(x-0,5 a)²

(S2M-S1M)(S1M+S2M) = 2 a x

S2M-S1M voisin a x /D

d = a x /D avec D= f2.

aspect de l'écran E : dans la région où se superposent les ondes, l'intensité lumineuse passe par des maximums et des minimums qui peuvent être nuls. Les maximums dépassent la somme des intensités des faisceaux pris séparément.

Interfrange i = l f2 /a = 0,5 10-6 * 0,5 / 5 10-4 = 5 10-4 m.



retour -menu