Aurélie sept 04

pompe à chaleur - régulation électronique- alcalinité

d'après BTS domotique 2003




Google



pompe à chaleur (PAC) pour le chauffage individuel

L'installation schématisée ci-dessous comporte un compresseur, un détendeur et deux serpentins qui sont siège des échanges thermiques.

La température du sous sol est 10°C. Le fluide caloporteur est de l'air assimilé à un gaz parfait. On étudie les transformations réversibles d'1 kg d'air décrivant le cycle suivant :

1-2 : dans le compresseur, la compression est adiabatique et la pression passe de P1= 4 105 Pa à P2 = 15 105 Pa. La température passe de T1=283 K à T2.

2-3 : Dans le serpentin, au contact du circuit de chauffage, le refroidissement est isobare et la température passe de T2 à T3=323 K.

3-4 : Dans le détendeur, la détente est adiabatique, la pression passant de P3=P2 à P4=P1, la température passant de T3 à T4.

4-1 : Dans le serpentin enterré dans le sol, le réchauffement est isobare, la température augmentant jusqu'à la température T1.

lors d'une transformation adiabatique réversible : PVg=Cte ; P1-g Tg=Cte ; Vg-1T=Cte.

Qté de chaleur échangée par un fluide passant de la température T1 à T2 au cours d'une transformation isobare :

Q=mCp(T2-T1).

Efficacité théorique d'une machine théorique : e= |Qc/W| ou e= |Qf/W| selon la machine

R= 8,31 J K-1mol-1 ; g= 1,4 Cp air = 1000 J K-1kg-1.

  1. Montrer que T2=413 K et que T4=221 K.
  2. Calculer les quantités de chaleur Q12, Q23, Q34 et Q41 échangées par une masse d'air de 1 kg au cours de chaque transformation.
  3. Enoncer le premier principe de la thermodynamique pour un cycle. En déduire le travail reçu par la masse de 1 kg d'air au cours du cycle.
  4. On désigne par e l'efficacité théorique de la pompe à chaleur au cours du cycle. Calculer e.
    - Sachant que les pertes moyennes thermiques de la maison sont de 13 kW et que la puissance utile du compresseur est 10 kW, calculer le temps de fonctionnement de la pompe au cours de la journée.

corrigé
P11-g T1g=P21-g T2g soit T2g = (P1/P2)1-g T1g

T2 = (P1/P2)(1-g) /g T1 avec (1-g) /g = (1-1,4)/1,4=-0,286.

T2 = (4/15)-0,286 *283 = 1,454*283 = 413 K.

de même T4 = (P3/P4)(1-g) /g T3= (P2/P1)(1-g) /g T3

T4 = (15/4)-0,286 *323 = 0,6852*323 = 221 K.


quantités de chaleur Q12, Q23, Q34 et Q41 échangées par une masse d'air de 1 kg

isobare Q23 = mCp(T3-T2) = 1000*(323-413)= -90 kJ.

isobare Q41 = mCp(T1-T4) = 1000*(283-221)= 62 kJ.

adiabatique Q12 = Q34 = 0.

Au cours d'un cycle la variation d'énergie interne du gaz est nulle.

W+ Q23 + Q41 =0 soit W = 90-62 = +28 kJ.

efficacité théorique de la pompe à chaleur au cours du cycle = rapport de la chaleur absorbée par la source chaude sur le travail fourni e = 90 / 28 = 3,21.

énergie à fournir pour compenser les pertes journalières : 13*24 = 312 kWh = 312*3600=1,12 106 kJ

travail fourni par le moteur électrique de la pompe : 312 /3,21 = 97,2 kWh

le moteur doit fonctionner pendant : 97,2 /10 = 9,72 heures.





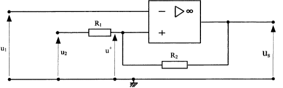
régulation électronique de la température de l'échangeur

Un capteur électronique permet d'obtenir une tension u1 = 0,1 q3 dans laquelle q3 est la température de l'échangeur exprimée en °C tendis que la tension u1 est exprimée en volts. Le but de la régulation est de maintenir cette température q3 entre 45°C et 55 °C. On utilise le montage suivant :

L'amplificateur opérationnel est idéal ; les tensions de saturation sont +14V et -14 V. R1 = 1 kW et R2 = 27 kW. u2 est une source de tension réglable dont la valeur est fixée à 5,19 V.

  1. Montrer que la tension u+ de l'entrée non inverseuse est : 1/(R1 +R2) [R1us+R2u2]
    - Faire l'application numérique dans le cas où us= +14 V
    - Faire l'application numérique dans le cas où us= -14 V
  2. Etude du démarrage : la température de l'échangeur est 20°C.
    - Quelles sont les valeurs de u1 et us ?
    - A la mise sous tension la pompe à chaleur se met en marche. Comment évolue la température q3 ? Comment évolue u1 ?
  3. Etude du fonctionnement : que se passe-t-il lorsque la température q3 atteint 55 °C Que devient la tension us ? Quel doit être le rôle de la tension us sur la pompe ?
    - La température se met alors à chuter. Pour quelle valeur de u1 la pompe se remet-elle en marche ? Quelle est alors la température de l'échangeur ?
    - Faire la représentation graphique us en fonction de q3.

corrigé

u2+R1i=u+ soit i = (u+ -u2)/R1

u+ +R2i =us soit i = ( us-u+)/R2

(u+ -u2)R2=( us-u+)R1

R2u+-u2R2=usR1-u+R1

u+=1/(R1 +R2) [R1us+R2u2]
u+=1/(103(1+27)[us+27*5,19]103 =[us+140,13] / 28= us/28 +5

si us = +14 V alors u+= 5,5 V et us = -14 V alors u+= 4,5 V

la température de l'échangeur est 20°C.
u1 = 0,1*20 = 2 V en conséquence u+ = 2 = us/28 +5 et us =(2-5) *28=-84 V.

valeur impossible pour us qui ne peut être inférieure à -14 V.

A la mise sous tension la pompe à chaleur se met en marche q3 évolue de 20°C à 55°C et u1évolue de 2 V à 5,5 V.

us atteint alors la valeur +14 V et doit couper l'alimentation électrique de la pompe.

La température q3 se met alors à chuter. Dès que u1 atteint la valeur 4,5 V ( us= -14 V) la pompe se remet en marche.La température de l'échangeur vaut alors 45°C.



Chimie : on se propose de déterminer l'alcanalité d'une eau industrielle. Pour ceci on réalise un dosage pH-métrique de 50 mL d'eau par une solution d'acide chlorhydrique telle que [H3O+]=0,1 mol/L. L'alcanalité est due uniquement à l'ion HCO3-.

 

  1. Déterminer graphiquement les coordonnées du point équivalent et le pKa du couple acide base concerné. On rappelle que pKa = pH à la demi-neutralisation.
  2. Ecrire la réaction de dosage puis déterminer [HCO3-] en mol/L et en g/L.
  3. Le titre alcalimétrique complet (TAC) d'une eau s'exprimant par le même nombre que le volume exprimé en mL d'une solution acide telle que [H3O+]=0,02 mol/L nécessaire pour doser 100 mL d'eau, déterminer le TAC de l'eau étudiée.

masse atomique molaire (g/mol) H : 1 ; C : 12 ; O : 16.

couples acide base H3O+ / H2O ; H2O / HO- ; H2O , CO2/HCO3-


corrigé

HCO3- + H3O+ = CO2 + 2H2O

à l'équivalence CaVa= CbVb soit Cb= CaVa /Vb = 0,1*13/50=0,026 mol/L

masse molaire HCO3- : 1+12+3*16 =61 g/mol

0,026*61 = 1,586 g/L

pour doser 100 mL de cette eau avec un acide de concentration 0,02 mol/L il faudrait un volume d'acide égal à :

100*0,026/0,02 = 130 mL.



retour -menu